红器金属管浮子流量计说明书新说明书
 |  |  |
A型 指针型金属管浮子流量计 现场瞬时流量的读取(垂直安装、下进上出) | B型 液晶显示金属管浮子流量计 现场瞬时及累积流量读取(垂直安装、 下进上出) | C型 水平安装金属管浮子流量计 用于水平管道安装 |
 |  |  |
D型 侧装金属管浮子流量计 用于异型管道安装 | E型 卡箍连接金属管浮子流量计 主要用于卫生型或医药行业 | F型 螺纹安装金属管浮子流量计 用于定制管道安装 |
 |  |  |
G型 微小型金属管浮子流量计 用于实验室微小流量特殊介质测量 | H型 无线远传式金属管浮子流量计 仪表可以通过无线采集各种测量数据, 主要用于野外及偏远地区仪表计量 | I型 太阳能供电式金属管浮子流量计 可长期使用于无电源场所 (可使用30个阴雨天气) |
HQLZ-250金属管浮子流量计
HQLZ-250金属管浮子流量计概述
1、 HQLZ-250金属管浮子流量计采用可变面积式测量原理,适用于测量液体,气体。全金属结构,有指示型、电远传型、耐腐型、高压型、夹套型、防爆型。具有0-10mA,4-20mA的标准模拟量信号输出和现场指示。累积,数字通讯,现场修改测量参数,不同的供电方式功能,带有磁性过滤器和特殊规格品种。广泛应用于,石油、化工、发电、制药、食品、水处理等。复杂,恶劣环境条件,及各种介质条件的流量测量过程中。
2、金属管浮子流量计是工业自动化过程控制中常用的一种变面积流量测量仪表。它具有体积小,检测范围大,使用方便等特点。它可用来测量液体、气体以及蒸汽的流量,特别适宜低流速小流量的介质流量测量。
HQLZ-250金属管浮子流量计测量部分特点
1、坚固的全金属结构设计型浮子流量计
2、采用独立概念设计的测量管指示器
3、可选择不锈钢、哈氏合金、钛材、PTFE材料测量系统
4、低压力损失设计
5、短行程、小型结构设计、仪表总高度250
6、磁性耦合结构确保数据传输、信号更加稳定
7、保温或伴热夹套
8、垂直、水平、各种安装方式更适合不同使用场合
9、适用于小口径和低流速介质流量测量
10、工作可靠,维护量小,寿命长
11、对于直管段要求不高
12、较宽的流量比10:1
13、双行大液晶显示,可选现场瞬时/累计流量显示,可带背光
14、单轴灵敏指示
15、非接触磁耦合传动
16、全金属结构,适于高温、高压和强腐蚀性介质
17、可用于易燃、易爆危险场合
18、选二线制、电池、交流供电方式
19、多参数标定功能
20、带有数据恢复,数据备份及掉电保护功能
HQLZ-250金属管浮子流量计主要技术参数
◇测量范围:水(20℃)1-200000 l/h
空气(20℃,0.1013MPa)0.03-4000m3/h;参见流量表,特殊流量可订制
◇量 程 比:标准型10:1
◇精 度:标准型1.0级;特殊型0.5级
◇压力等级:标准型:DN15-DN50 4.0MPa DN80-DN200 1.6MPa
特殊型:DN15-DN50 25MPa DN80-DN200 16MPa
夹套的压力等级为1.6MPa;特殊型在选型和订货前应与工厂协商
◇压力损失:7kPa-70kP
◇介质温度:标准型:-80℃-+200℃:PTFE:0℃-85度
高温型:*高可达300℃
◇介质粘度:DN15:η<5mPa.s(F15.1-F15.3)/η<30mPa.s(F15.4-F15.8)
DN25:η<250mPFa.s
DN50-DN150:η<300mPa.s
◇环境温度:指针型-40℃-+120℃
◇连接形式:标准型:DIN2501标准法兰
特殊型:由用户指定的任意标准法兰或螺纹
◇电缆接口:M20*1.5
◇供电电源:标准型:24VDC二线制4-20mA(10.8VDC-36VDC)
◇报警输出:上限或下限瞬时流量报警,集电极开路输出(*大100mA@30VDC内部阻抗100欧)
继电器输出(触点容量1A@30VDC或0.25A@250VAC或0.5A@125VAC)
◇脉冲输出:累积脉冲输出,*小间隔50毫秒
◇液晶显示:瞬时流量显示数值范围:0-50000
累计流量显示数值范围:0-99999999(可带小数点)
◇防护等级:IP65
◇防爆标志:本安型iaⅡCT5;隔爆型dⅡBT6
HQLZ-250金属管浮子流量计测量范围
| 耐腐型通径DN(mm) | 普通型通径DN(mm) | 流 量 范 围 | *大压力损失 |
| 空气m3/h 20℃0.101325 MPa | 水L/h 20℃ | 空气(kPa) | 水(kPa) |
| 15 | 15 | 0.07~0.7 | 2.5~25 | 7.1 | 6.5 |
| 0.11~1.1 | 4.0~40 | 7.2 | 6.5 |
| 0.18~1.8 | 6.0~60 | 7.3 | 6.6 |
| 0.28~2.8 | 10~100 | 7.5 | 6.6 |
| 0.40~4.0 | 16~160 | 8.0 | 6.8 |
| 0.70~7.0 | 25~250 | 10.8 | 7.2 |
| 1.00~10 | 40~400 | 10 | 8.6 |
| 25 | 1.60~16 | 60~600 | 14 | 11.1 |
| 25 | 3.00~30 | 100~1000 | 7.7 | 7 |
| 4.50~45 | 160~1600 | 8.8 | 8 |
| 7.00~70 | 250~2500 | 12 | 10.8 |
| 50 | 11~110 | 400~4000 | 19 | 15.8 |
| 50 | 18~180 | 600~6000 | 8.6 | 8.1 |
| 25~250 | 1000~10000 | 10.4 | 11 |
| 80 | 40~400 | 1600~16000 | 15.6 | 17 |
| 80 | 75~750 | 2500~25000 |
| 8.1 |
| 100 | 100~1000 | 4000~40000 |
| 9.5 |
| 100 | 150~1500 | 6000~60000 |
| 10 |
| 150 | 125 |
| 8000~80000 |
|
|
|
| 100000~1000000 |
|
|
| 150 |
| 15000~150000 |
|
|
转换指示器
转换器实际上是将锥管内浮子的高度转换成所对应的体积流量的刻度。
从输出信号来分:有就地显示型和远传信号输出型:
就地显示型:由就地指示器中的随动磁钢与浮子内磁钢耦合,而发生转动,同时电动指针通过刻度盘指示出此时流量

式中α 仪表的流量系数,因浮子形状而异;
ε 被测流体为气体时气体膨胀系数,通常由于此系数校正量很小而被忽略,且通过校验已将它包括在流量系数内,如为液体则ε= 1
△F 流通环形面积,m2 ;
g 当地重力加速度,m/s2;
Vf 浮子体积,如有延伸体亦应包括,m3;
ρf 浮子材料密度,kg/m3;
ρ 被测流体密度,如为气体是在浮子上游横截面上的密度,kg/m3;
Ff 浮子工作直径(*大直径)处的横截面,m2;
Gf 浮子重量,kg。
流通环形面积与浮子高度之间的关系如式(3)所示,当结构设计已定,则d、β为常量。
式中有h的二次项,一般不能忽略此非线性关系,只有在圆锥角很小时,才可视为近似线性。
式中d 浮子*大直径(即工作直径),m;
h 浮子从锥管内径等于从浮子*大直径处上升高度,m;
β 锥管的圆锥角;
a、b 为常数
从(1),(2),(3)公式可知,在一定的条件下,浮子在锥管内的高度与体积流量有一定的比例对应关系。读出浮子的高度,就可以知道相对应的体积流量,再通过转换器,将浮子的高度转换成所对应的体积流量所对应的刻度,这就是金属管浮子流量计的检测原理。

智能远传型,由智能型指示器中的随动磁钢与浮子内磁钢耦合,而发生转动,同时带动传感磁钢及指针,通过一个磁传感器将磁场变化转化成电信号,经A/D转换,数字滤波,微处理器处理,D/A输出,LCD液晶显示,来显示出瞬时流量及累积流量大小。(如下图所示)

金属管浮子流量计的口径、浮子号及刻度的计算
1、计算方法
(1) 根据用户给出的数据,选择适当的公式计算相应标校介质的流量Qs:
其中:Qs-标校介质(水或空气)在标准状态下(20℃,0.1013Mpa)的流量
Q-用户介质流量 K-修正系数
(2)根据计算得到的 Qs值,查流量表来确定选用的浮子号及测量管的口径(流量表中的数值都是水或空气在标准状态下的流量值)
(3)确定测量管口径和浮子号后,建议用下式确定被测介质流量刻度的上限值Q:
其中:Qi查流量表中选取某一浮子号对应的水或空气流量的*大值。
(4)由于计算中没有考虑粘度的修正,有可能与工厂计算的结果产生差异。
2、修正系数K的确定
(1)对于液体介质
a、如果Q是液体体积流量则用下式计算K:
b、如果Q是液体质量流量则用下式计算K:

其中:ρf:所选浮子密度(g/cm3)
不锈钢浮子密度为7.8
聚四氟乙烯浮子(PTFE)密度为3.4
镍基合金(Hastelloy)密度为8.3
ρ:被测介质的密度
(2)对于气体体介质
a、如果Q是标准状态下(20℃,0.1013Mpa)气体的体积流量,则用下式计算K:

b、如果Q是操作状态下气体的体积流量,则用下式计算K:

c、如果Q是气体的质量流量,则用下式计算K:

在以上各式中:
ρ: 被测介质的密度:被测气体介质在20℃,0.1013MPa状态下密度(kg/m3)
P:被测气体介质的优良压力(MPa)
T:被测气体介质的优良温度(K)
ρ0:空气在20℃,0.1013MPa情况下密度(1.205kg/m3)
P 0:标校介质的优良压力(0.1013MPa)
T 0:标校介质的优良温度(293.15K)
d、辅助密度换算公式
其中:ρst: 被测气体介质在标准状态下密度(Kg/m3)
ρt: 被测气体介质在操作状态下密度(Kg/m3)
Tt: 被测气体介质在操作状态下优良温度(K)
Pt:被测气体介质在操作状态下优良压力(MPa)
p0:被测气体介质在标准状态下优良压力(MPa)
T0:被测气体介质在操作状态下优良温度(K)
金属管浮子流量计的结构
1、高温型结构(G型)
高温结构型(G型)是用于介质温度过高或过低而需要对测量管采取保温隔热措施的介质的流量测量。高温型结构是加大了测量管与指示器之间的距离来增加散热、增加隔热材料厚度,保证指示器工作在允许的环境温度范围内。选型为"G"型。
G型金属管浮子流量计可以测量温度达-80℃-+300℃的介质的流量。


2、带阻尼器装置的结构(Z型)
阻尼器结构型用于流量计入口流量(压力)不稳定时的介质流量测量,特别是对于气体的测量。它的结构如图所示.

3、夹套型结构(T型)
夹套型结构用于对需要伴热或冷却(如高粘度和易结晶)的介质的流量测量。在夹套中通过加热或冷却介质,使低沸点、低凝固点流体不汽化和不结晶。
伴热介质的导入和导出连接,标准型要用HG20594-97 DN15 PN1.6法兰,其它的法兰规格连接可与生产厂标明,夹套的压力等级为1.6MPa.
夹套型流量计结构见FA标准型流量计法兰、外形尺寸图。
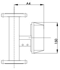
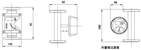
4、高压型结构(Y型)
高压型结构用于被测介质压力大于标准的压力等级的流量测量。高压型结构如下图所示。目前FFM64系列的*高压力可以达到32MPa。另外高压型流量计可提供内置磁过滤器型,安装高度均为350mm。FA、FB和FC型*大压力为10MPa.
高压型外形尺寸及重量
注:1、G为仪表重量(kg)
金属管浮子流量计选型表
| HQLZ-250 | 金属管浮子流量计 |
| 公称通径 | □ | DN15~DN400 |
| 类型 | A | 指针型金属管浮子流量计 |
| B | 液晶显示金属管浮子流量计 |
| C | 水平安装金属管浮子流量计 |
| D | 侧装金属管浮子流量计 |
| E | 卡箍连接金属管浮子流量计 |
| F | 螺纹安装金属管浮子流量计 |
| G | 微小型金属管浮子流量计 |
| H | 无线远传式金属管浮子流量计 |
| I | 太阳能供电式金属管浮子流量计 |
| 流量范围 | (n) | 上限流量(量程)m3/h |
| 结构形式 | -50 | 下进上出(标准型) |
| -51 | 下进上横出(接液材质不能选RP) |
| -52 | 下横进上横出(接液材质不能选RP) |
| -54 | 上进下出(接液材质只能选R0,R1,R4) |
| -53H | 水平弹簧式(接液材质只能选R0,R1,R4) |
| -53L | 左进右出(接液材质不能选RP) |
| -53R | 右进左出(接液材质不能选RP) |
| 接液材质 | Hc | 哈氏合金 |
| R1 | 1Cr18Ni9Ti(321) |
| R4 | 0Cr18Ni9(304) |
| RL | 00Cr17Ni14Mo2(316L) |
| RO | 0Cr18Ni12Mo2Ti |
| RP | PTFE(聚四氟乙烯) |
| RW | 卫生级抛光管 |
| Ti | 钛合金 |
| 附加结构 | □ | 无附加结构 |
| G | 高温型(110℃-450℃) |
| T | 夹套型(夹套部分的压力等级为1.6MPa,特殊型另议) |
| Y | 高压型(DN15-DN25***大32MPa, DN50-DN100***大25MPa) |
| Z | 阻尼型(测量气体介质时选用) |
| 指示器形式代码 | M1 | 就地指示器,方形壳体,机械指针指示瞬时流量(选报警,其方式为起始器与晶体管继器配套进行报警或干簧管开关量报警) |
| M2 | 方形壳体,机械指针指示瞬时流量,液晶同时显示瞬时、累积流量 |
| M4 | 圆形壳体,多功能指示器*1 |
| 供电方式 |
| 只限M1M4指示器 |
| A | 85-265VAC50Hz供电,4-20mA信号输出,可带背光,报警为继电器报警,可选脉冲、批次输出 |
| B | 电池供电,现场液晶显示,无信号输出,无背光,无报警,只限M2M4指示器 |
| C | 24VDC,二线制供电,4-20mA信号输出,不带背光 |
| D | 24VDC,四线制供电,4-20mA信号输出,可带背光,报警为继电器报警,可选脉冲、批次输出 |
| 防爆形式 | 1 | 普通不防爆 |
| D | 隔爆型Exd II BT6 只限M4指示器 |
| L | 本安型Exia II CT5 只限M2、M4指示器 |
| 报警选择 |
| 无报警 |
| K1 | 上限报警(K1P单路批次处理输出) |
| K2 | 下限报警(K2P单路批次处理输出) |
| K3 | 上、下限报警(K3P双路批次处理输出) |
| 背光选择 |
| 不带背光 |
| L | 带背光(只限供电方式A、D) |
| 输出信号 | A | 4-20mA输出 |
| H | HART协议(只限供电方式C) |
| M | Modbus协议(只限供电方式A、D) |
| 测量介质 | A1 | 高温气体 |
| A2 | 酸性气体 |
| A3 | 普通气体 |
| A4 | 碱性气体 |
| B1 | 高温液体 |
| B2 | 酸性液体 |
| B3 | 碱性液体 |
| B4 | 普通液体 |
| 介质温度 | (n) | 上限温度℃ |
| 压力等级 | 1 | 1.0mpa |
| 2 | 1.6mpa |
| 3 | 2.5mpa |
| 4 | 4.0mpa |
| 5 | 高压定制 |
| 阀体材质 | 1 | 不锈钢304 |
| 2 | 不锈钢316 |
| 3 | 304衬四氟 |
| 4 | 316衬四氟 |
| 测量精度 | 1 | 1.5级 |
| 2 | 1.0级 |
金属管浮子流量计原理图

金属管浮子流量计安装结构图

