
产品说明:
HQ-MDJ-1000系列在线密度计可对各种液体或液态混合物在线进行密度测量。在石化行业可广泛应用于石油、炼油、调油、油水介面检测;在食品工业用于葡萄汁、番茄汁、果糖浆、植物油及软饮料加工等生产现场;奶制品业;造纸业;黑浆、绿浆、白浆、碱溶液的测试;酿酒酒精度;化工类的尿素、清洁剂、乙二醇、酸碱及聚合物密度的测试。还可应用于采矿盐水、钾碱、天然气、润滑油、生物制药等等行业。
一、主要特点
1、采用一体化结构的两线制变送器,无活动部件维护简单.
2、四位半数字液晶显示.
3、安装使用方便,插入液体即可显示读数
4、使用于流体或静止液体,适合于管道和罐体安装.
5、温度和密度两个参数可交替显示,便于进行行业标密换算.
6、连续在线测量液体密度无过程中断,可直接用于生产过程控制.
7、接触液体部件全部为几种介质不锈钢材料制造,安全;卫生.
8、本介安全型可用于危险环境;卫生型可安装于食品生产现场
二、技术指标
1、4~20mA 电流输出.选加数字信号(HART 协议)
2、16~30VDC供电.推荐使用24VDC.
3、密度量程 0~2克/立方厘米;0~3克/立方厘米
4、精度 0.001克/立方厘米
5、分辨率 0.0005克/立方厘米
6、温度量程 0~100℃
7、温度精度 0.2℃
8、环境温度 -10~60℃
9、湿度范围 0-90%
订货注意事项1、定货时写明介质、量程及使用现场工况,如防爆、腐蚀、卫生、普通等
三、选型说明:
| HQMDJ-1000 | 在线密度计 |
| 类型 | C | 侧装式 |
| W | 弯装式 |
| T | 直装式 |
| 单晶硅膜盒(传感器) | 5 | 500mm以上 |
| 10 | 1000mm |
| 15 | 特殊要求 |
| 法兰传感器间距 | M | 300mm |
| F | 距离用户自定 |
| 测量范围 | 1 | 0~1g/cm³ |
| 2 | 0~2g/cm³ |
| 3 | 0~3g/cm³ |
| 连接法兰 | □ | DN10-300 |
| 以下是默认配置: |
| 显示表头 | LCD智能显示表 |
| 输出信号 | 4~20mA |
| 输入电源膜片结构材料 | 24VDC |
| 膜片结构材料 | 316不锈钢(其他可订) |
| 运输包装 | 木箱包装 |
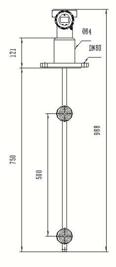
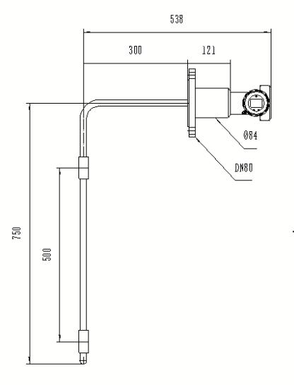
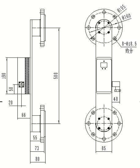
四、外形尺寸

五、安装事项
1、直接式 在线液体密度计传感器部分间距zui少为200mm,直径为50mm, 现场不能小于这些尺寸安装,如选择弯曲型密度计,请测量好可以伸进管内的法兰和长度尺寸.
2、现场液体必须保持没过两个测量传感器,法兰到di 一个传感器的距离可选.
3、管道安装时需让液体从zui下面传感器之下进入液体,或者从zui上面传感器的上面进入液体,不要从中间进入液体。管道安装通液体时,管道阀门或者弯头部分至少留出30CM液体缓冲距离。
4、安装图红色法兰配对部分,为使用方提供安装,如需要配对法兰,请订货时说明.
5、配备电源为24V DC 输出4-20mA信号 如需接二次用表,需将24V“+”
接到密度计后面“+”极, 电流信号“+”接密度计“-”极, 并在二次表上将24V“-”和电流信号端子“-”短接.
6、现场环境如果外部有腐蚀性液体,请做好防护措施。如果有雷击危险,请在周围做好引地装置。
7:如需拆卸做清洗时,拆装时请保证传感器膜片不受到碰撞及其它损坏。
8:请勿在高出5Mpa情况下使用。
9: 如果需要调整量程需要用 手持器,技术问题请联系厂家。
安装示意图
