一、气体腰轮流量计概述
气体腰轮流量计是一种高精度、高可靠性、宽范围度的气体监测和计量仪表。
智能气体腰轮流量计是在腰轮流量计基础上集成流量、温度、压力传感器和智能化仪表的新型流量计。
智能气体腰轮流量计气体是测量天燃气、城市煤气、丙烷、氮气、工业惰性气体等非腐蚀性气体的的理想仪表。
气体腰轮流量计产品的主要特点
根据不同规格,zui高范围度可达到1:216
根据不同规格,zui低始动流量可达到0.04m3/h。
长期精度不受介质的影响,长期运行,精度稳定。
根据不同规格,压力损失为0.08kPa-0.58kPa。
采用先进的微机技术与高性能的集成芯片,整机功能强大,性能优越.
压力传感器、温度传感器、流量传感器全部内置,使结构更加紧凑。
数字温度传感器和数字压力传感器配置,单独校准与检定,更换、维护和使用方便。
按流量频率信号,可将仪表系数分六段自动进行线性修正,提高仪表的宽范围精度.
采用E2PROM数据存储芯片,保存用户参数、厂家参数,及时的数据保存功能,可防止突然掉电时数据丢失,在停电状态下,内部参数可长久性保存。
智能流量计带有基表脉冲输出、工况或标况脉冲信号输出,和标定脉冲输出。RS485接口输出,也可根据用户需要输出4~20mA标准模拟信号。
实时数据库,通过RS-485通讯接口,可查询分析。
本系列中,B型表具有GPRS传输功能,可在线、定时长、定点实现传输功能,极其容易组建GPRS无线网络系统
二、气体腰轮流量计结构与工作原理
2.1、智能腰轮流量计由5个部分组成(见图1)

1) 气体腰轮流量计2)流量传感器 3)压力传感器 4)温度传感器 5)智能流量积算仪
图1 智能腰轮流量计组成示意图
2.2、智能气体腰轮流量计的工作原理(见图2)
智能气体腰轮流量计,主要由壳体、共轭转子和智能流量积算仪等部件构成。装于计量室内的一对共轭转子在流通气体的出入口压差(P入>P出)作用下,通过精密加工的调校齿轮使转子保持正确的相对位置。转子间、转子与壳体、转子与墙板间保持zui佳工作间隙,实现了连续的无接触密封。转子每转动一周,则输出四倍计量室有效容积的气体。其计量过程和工作原理如图1所示(图中仅表示了四分之一周期)。

图2 气体腰轮流量计工作原理
三、气体腰轮流量计主要技术参数与功能
3.1 产品执行标
本流量计执行JB/T 7385-1994 《气体腰轮流量计》和JJG633-2005《气体容积式流量计检定规程》的计量技术规范与标准, 符合国家标准GB3836.1-2010 《爆炸性环境 第1部分:设备通用要求》和GB3836.4-2010 《爆炸性环境 第4部分:由本质安全“i”保护的设备 》标准
3.2 精度等级
1.0级:Qmax-0.2Qmax ±1.0% 0.2 Qmax-Qmin ±2.0%
1.5级:Qmax-0.2Qmax ±1.5% 0.2 Qmax-Qmin ±3.0%
未特殊注明产品,按照1.5级精度出厂,其余精度,订货时,需要特殊说明定制。
3.3 流量计量计规格、基本参数和性能指标(见表1)
(表1)
型规格号 | 公称 通径 DN (mm) | 量程比 | 流量 范围 (m3/h ) | 始动 流量 m3/h | Qmax时 压力损失 kPa | yi | 仪表系数 | zui大 工作 压力 MPa | 公称 压力 MPa | 材质 |
LLQ-10 | 25 | 12:1 | 0.5-10 | 0.04 | 0.10 |
|
| <0.6 | 1.6 | 铝合金 |
LLQ-16 | 25 | 20:1 | 0.8-16 | 0.04 | 0.10 | 7633.37 |
LLQ-25 | 40 | 25:1 | 1-25 | 0.07 | 0.10 | 4694.65 | <1.2 <2.0 | 1.6 2.5 |
LLQ-40 | 40 | 40:1 | 1-40 | 0.07 | 0.14 | 3892.31 |
LLQ-60 | 50 | 65:1 | 1-65 | 0.1 | 0.10 | 1584.24 |
LLQ-85 | 50 | 70:1 | 1.1-85 | 0.1 | 0.14 | 1584.24 |
LLQ-100 | 80 | 70:1 | 1.5-100 | 0.1 | 0.11 | 987.581 |
LLQ-150 | 80 | 120:1 | 1.2-150 | 0.12 | 0.15 | 730.785 |
LLQ-200 | 80 | 70:1 | 3-200 | 0.15 | 0.18 | 479.837 |
LLQ-250 | 100 | 80:1 | 3-250 | 0.11 | 0.18 | 306.804 | <1.2 | 1.6 |
LLQ-300 | 100 | 120:1 | 2.5-300 | 0.11 | 0.13 | 306.804 |
LLQ-450 | 100 | 110:1 | 4-450 | 0.1 | 0.20 | 231.350x2 |
LLQ-500 | 100 | 125:1 | 4-500 | 0.1 | 0.20 |
|
LLQ-650 | 150 | 80:1 | 8-650 | 0.65 | 0.35 | 86.7083 | 铝、铸铁 |
LLQ-1000 | 150 | 90:1 | 11-1000 | 0.76 | 0.45 | 61.8990 | 铝、铸铁 |
LLQ-1600 | 200 | 64:1 | 25-1600 | 1.2 | 0.50 | 50.2425 | 铝、 |
|
|
|
|
|
|
|
|
3.4 使用条件
3.4.1 标准状态条件:P=101.325 kPa T= 293.15K
3.4.2 使用条件:
a.环境温度:-25℃~+80℃ b.介质温度:-20℃~+60℃
c.相对湿度:5%~95% d.大气压力:86KPa~106Kpa
3.5电气性能指标
3.5.1工作电源:a.内电源:1节3.6VDC锂电池,电池电压在3.1V~3.6V时均可正常工作。
当电压低于3.1V时,应更换电池。
b.外电源:±24VDC±15%,纹波≤±5%,适用于4~20mA输出,脉冲输出,RS-485等;
3.5.2整机功耗:外电源,﹤1W
内电源,平均功耗≤1m W,可连续工作五年以上。
3.5.3 工况脉冲输出方式
a. 工况脉冲信号, 直接将流量传感器检测的工况脉冲信号经光耦隔离放大输出,高电平≥20V,低电平 ≦ 1V。该脉冲主要用于对仪表的标定。
b. 与标准体积流量成正比的频率信号,经光耦隔离放大输出,高电平≥20V,低电平 ≤ 1V。
c. 定标脉冲信号,输出幅度0~3V,输出脉冲宽度500ms。该脉冲主要用于城市燃气计量的IC卡控制装置或其它设备。该信号1m3输出1个脉冲。
3.5.4 电流输出
4~20mA标准模拟电流输出功能
与标准体积流量成正比,4mA对应0 Nm3/h,20mA对应zui大标准体积流量(该值可设定)。
输出形式为:二线制或三线制
3.5.5 RS485通信
通过内装的RS485标准接口能与个人计算机和PLC等主机连接,进行串行通信。可显示介质压力、温度、瞬时流量、累计标准流量、电池电压等。
3.5.6 GPRS通信
通过内装的GPRS系统,进行串行通信。可实现远程抄表系统
显示介质压力、温度、瞬时流量、累计标准流量、电池电压等。
3.5.7 阀门控制输出:
可选择阀门控制型,直接控制阀门,实现独立控制和远程控制
| 描述 | 涡街流量计 (电池供电无线远传式) |
| 支持移动 LTE Cat-1 |
| 支持联通 LTE Cat-1 |
| 支持电信 LTE Cat-1 |
| 供电范围 5V~16V,推荐值 12V/1A |
| 平均 67mA, ***大:289mA(12V) |
| 卡 1:普通 SIM 卡(小卡),可插入到产品外置卡槽; 卡 2:产品内置贴片卡,出厂免费赠送流量,可续费。 |
| 预留 USB 接口,暂不开放。 |
| SMA 外螺内孔 |
| -25℃~ +75℃ |
-35℃~ +85℃ 注:当设备工作在扩展温度范围时,设备仍能保持正常工作状态, 具备语音短信和数据传输等功能;不会出现不可恢复的故障;射频频谱、网络基本不受影响。仅个别指标如输出功率等参数值可能会超出 3GPP 标准的范围。当温度返回至正常温度范围时,设备的各项指标仍符合 3GPP 标准。 |
| -40℃~ +85℃ |
| 5%~95%(无凝露) |
| 3GPP Release 13 CAT1 下行 7.5 Mbps,上行 1 Mbps |
| 3GPP Release 13 CAT1 下行 10 Mbps,上行 5 Mbps |
| Band 34/38/39/40/41 |
| Band 1/3/5/8 |
| +23dBm(Power class 3) |
|
| +23dBm(Power class 3) |
|
特色功能 | 域名解析 DNS | 支持 |
| 简单透传方式 | 支持 TCP Client /UDP Client |
| 心跳数据包 | 支持自定义心跳包/SN 心跳包/ICCID 心跳包/IMEI 心跳包/LBS |
| 注册包机制 | 支持自定义注册包/SN 注册包/ICCID 注册包/IMEI 注册包 |
| 套接字分发协议 | 支持 |
| FOTA 升级 | 支持 |
| Socket 备份 | 支持 |
| 基站定位 | 支持 |
| FTP 他升级协议 | 支持 |
| 安全机制 | 支持 |
| NTP 校时功能 | 支持 |
| 蓝牙连接 | 微信扫描产品上的二维码,进入我司的微信小程序即可通过蓝牙连接进行产品参数设置、串口调试、一键检测等操作 |
| 双 SIM 卡切换 | 支持外置卡优先模式、双卡备份模式、单卡锁定模式 |
四、气体腰轮流量计选型与安装
4.1流量计选型
用户应根据管线输气量,介质可能达到的温度和压力范围,估算出管线的zui高和zui低体积流量,正确选择流量计规格。当两种口径流量计均能覆盖zui低和zui高体积流量时,在压损允许下,应选小口径。
选型计算按照公式(1)
Qg=Zg/Zn*Pn/(Pg+Pa)*Tg/Tn*Qn=101.325/(Pg+Pa)*(1/ Zn/Zg)*( Tg/293.15)Qn
式中:Tg、Pg、Pa含义同上,Qg为体积流量,Qn为标准体积流量,Zn/Zg数值列于表2。因计算步长较大,表内数据仅供参考,表中数据按天然气真实密度Gr=0.600,氮气和二氧化碳摩尔分数均为0.00计算。当介质压力低于0.1 Mpa,均可按Zn/Zg=1.00估算。
4.2选型实例:
已知某一供气管线实际工作压力为0.5MPa~0.6MPa(表压),介质温度范围为-10℃~+40℃,供气峰值量为400~500Nm3/h。当地大气压为101.3kPa,要求确定流量计的口径。
分析:由于前面表1中给出的流量范围为实际工作状态下的流量范围,因此需先将标况流量换算成工况流量,再选择合适的口径。
计算:当介质压力zui低、温度zui高时(估算选型可不考虑天然气压缩因子的影响),此时当处于供气峰期时具有zui大体积流量,所以有:

同理,当介质压力zui高、温度zui低时,此时当处于供气谷期时具有zui小体积流量,所以有:

即工作状态下介质的流量范围为227.2~933.7m3/h。由表1查得,需选取LLQ-1000A
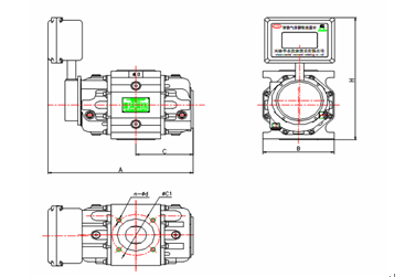
4.3流量计外型尺寸及安装(见图3-54和表3)

图3 LLQ-10、LLQ-16、LLQ-20螺纹连接安装尺寸图

图4 LLQ-650、LLQ-1000、LLQ-1600、LLQ-3000法兰联接安装尺寸图
4.3.1流量计安装尺寸(见表3)
(表3)

型号规格 | 公称通径 DN | 总长L | 表宽W | 端面高h | 接口 结构 | 法 兰 |
(mm) | (mm) | (mm) | C1 | n-d |
LLQ-10 | 25 | 235 | 240 | 105 | 螺纹/法兰 | φ115 | 4-M12 |
LLQ-16 | 25 | 235 | 240 | 105 | 螺纹/法兰 | φ115 | 4-M12 |
LLQ-20 | 25 | 235 | 240 | 105 | 螺纹/法兰 | φ115 | 4-M12 |
LLQ-25 | 40 | 285 | 240 | 105 | 法兰 | φ115 | 4-M16 |
LLQ-40 | 40 | 307 | 240 | 105 | 法兰 | φ115 | 4-M16 |
LLQ-60 | 50 | 385 | 180 | 172 | 法兰 | φ125 | 4-M16 |
LLQ-85 | 50 | 420 | 180 | 172 | 法兰 | φ125 | 4-M16 |
LLQ-100 | 80 | 460 | 180 | 172 | 法兰 | φ160 | 8-M16 |
LLQ-150 | 80 | 490 | 180 | 172 | 法兰 | φ160 | 8-M16 |
LLQ-200 | 80 | 485 | 211 | 246 | 法兰 | φ160 | 8-M16 |
LLQ-250 | 100 | 565 | 211 | 246 | 法兰 | φ180 | 8-M16 |
LLQ-300 | 100 | 565 | 211 | 246 | 法兰 | φ180 | 8-M16 |
LLQ-450 | 100 | 655 | 211 | 246 | 法兰 | φ180 | 8-M16 |
LLQ-500 | 100 | 655 | 211 | 246 | 法兰 | φ180 | 8-M16 |
LLQ-650 | 150 | 640 | 370 | 380 | 法兰 | φ240 | 8-M20 |
LLQ-800 | 150 | 640 | 370 | 380 | 法兰 | φ240 | 8-M20 |
LLQ-1000 | 150 | 705 | 460 | 550 | 法兰 | φ240 | 8-M20 |
LLQ-1600 | 200 | 765 | 460 | 550 | 法兰 | φ295 | 8-M20 |
LLQ-3000 | 250 | 878 | 740 | 760 | 法兰 | φ350 | 8-M20 |
注:两法兰端面间H为流量计在管道中的安装长度尺寸
4.3.2流量计的安装
a.用户安装使用前,应详细阅读此说明,以保证流量计正确安装,合理使用,以免影响正常运行和计量精度。
b.选用流量计前应根据所计量气体的压力、流量、温度及工艺流程所要求的进出口方位,正确选用适当的型号、规格(计算方法见“流量换算”)。
c.安装流量计前应将进出口封装物去掉,必须防止颗粒状杂质掉入计量室内,如计量室表面涂有防锈油,可用汽油或煤油冲洗干净,并严格**管道内杂质。流量计上游应安装过滤器或过滤网,以防止锈渣、焊渣及其它杂质进入计量室。
d.流量计安装时,无论进出口为垂直或水平位置,都应尽量保持转子轴线水平。
e.当气体压力波动范围较大时,为保证计量精度,流量计上游应安装调压器。
f.为防止新安装管道中的锈渣、焊渣及其它杂质进入流量计内,用户应先将过渡管安装在流量计的安装位置上,通气一段时间,确保无大颗粒杂质后,再换上流量计。安装流量计时,应确保流量计中心与管线中心对齐,无错位、并使流量计不受外力影响(包括轴向与切向)。如管道配焊,应安过度管,不可直接与流量计焊接。
4.4 根据腰轮流量计的结构特点、推荐垂直安装流量计且气体流向为上进下出。
在特殊情况下可采取下进上出或左进右出,但订货时需特殊说明,流量计出厂时标准产品为上进下出。安装流量计时应设置前后阀门和旁通管路,以保证维修保养时,不必停气。图6、图7、图8分别为A、
B、C(进出口方位分别为上进下出、下进上出、左进右出)三种流量计安装管路典型系统图,以供用户参考。

图6上进下出立面图(推荐) 图7下进上出立面图(不推荐) 图8左进右出平面图
五、气体腰轮流量计安装示意图

六、气体腰轮流量计选型
| HQ-LLQ | 气体腰轮流量计 |
| 公称通径 | □ | 公称通径 |
| 类型 | A | 气体腰轮流量计 |
| B | 无线远传式气体腰轮流量计 |
| C | 光伏供电式气体腰轮流量计 |
| 量程 | (n) | 测量范围(mm) |
| 测量介质 | A | 常规气体 |
| B | 可燃气体 |
| C | 腐蚀性气体 |
| 介质温度 | A | -20℃~+60℃ |
| 补偿方式 | A | 温度补偿 |
| B | 压力补偿 |
| C | 温压补偿 |
| 压力等级 | A | 0-1MPA |
| B | 1-1.6MPA |
| C | 1.6-2.5MPA |
| D | 2.5-4MPA |
| 输出信号 | A | RS485 |
| B | HART |
| C | 4-20MA |
| D | 脉冲输出 |
| 安装方式 | A | 法兰安装 |
| B | 螺纹连接 |
| C | 卡箍连接 |
| 测量精度 | A | 0.5% |
| B | 1.0% |
| C | 1.5% |
| 防爆型式 | A | 不防爆 |
| B | 隔爆型 Exd II CT6 |
| 供电方式 | A | 24V |
| B | 电池供电 |
| C | 光伏供电 |